freebus.org

Open Bus System
Aktuelle Zeit: 15. Juni 2015 15:39

Alle Zeiten sind UTC + 2 Stunden




Ein neues Thema erstellen Auf das Thema antworten  [ 86 Beiträge ]  Gehe zu Seite Vorherige  1, 2, 3, 4, 5, 6  Nächste
Autor Nachricht
 Betreff des Beitrags: Re: Fingerprintsensor
BeitragVerfasst: 18. Mai 2013 09:21 
Offline
Gold Boarder
Gold Boarder

Registriert: 31. August 2011 15:17
Beiträge: 161
Hallo,

ich wollte den Thread nur noch mal auffrischen. Bin immer noch ratlos was den Fingerprint anbetrifft. :(

LG
Sylvio


Nach oben
 Profil  
 
 Betreff des Beitrags: Re: Fingerprintsensor
BeitragVerfasst: 18. Mai 2013 16:35 
Offline
Platinum Boarder
Platinum Boarder

Registriert: 9. Oktober 2007 20:48
Beiträge: 961
Wohnort: Bad Königshofen
Ohne alles nachzulesen, wie sieht es mit pullups aus?

_________________
LG
Andreas


Nach oben
 Profil  
 
 Betreff des Beitrags: Re: Fingerprintsensor
BeitragVerfasst: 18. Mai 2013 17:36 
Offline
Gold Boarder
Gold Boarder

Registriert: 31. August 2011 15:17
Beiträge: 161
Hi Andreas,

ich bin mir nicht sicher ob ich pullups richtig verstehe. Ich denke du meinst die beiden 10k Wiederstande an jeweis PIN 4 der Optokoppler gegen GND. An IO1 (der mit dem irren Signal) liegen 2,6V gegen GND an und an IO2 (bei dem der 8out Orgel spielt, wenn ich das Messgerät dran halte) hat 2,2V.

Was sollte ich noch messen. Kurven hänge ich noch mal an.

Ich habe jetzt drei von den Fingerprint-Platinen gebastelt und drei 2te LPCs da. Egal wie ich kombiniere, der Effekt ist immer der Gleiche. Das kann doch nicht an den Schaltungen liegen, oder?

LG
Sylvio


Dateianhänge:
Dateikommentar: Signal an I/O2
IO2.png
IO2.png [ 75.31 KiB | 5685-mal betrachtet ]
Dateikommentar: Signal an I/O1
IO1.png
IO1.png [ 73.56 KiB | 5685-mal betrachtet ]
Nach oben
 Profil  
 
 Betreff des Beitrags: Re: Fingerprintsensor
BeitragVerfasst: 19. Mai 2013 21:30 
Offline
Gold Boarder
Gold Boarder

Registriert: 31. August 2011 15:17
Beiträge: 161
Hi Leute,

ich werde bald wahnsinnig mit diesem Fingerprint.

Habe noch mal rumgemessen. An I/O2 liegt nach dem Einschalten 0,5V an. Beim ersten Finger zieht alle, für vier Finger angelernte, Relais das 8out an. Dabei springt die Spannung auf 2,6V und bleibt da. Ein erneutes Scannen des Fingers bewirkt nichts. An I/O1 sind und bleiben die 2,6V. Das defekte Signal kommt direkt vom LPC P0.0.

Habe ich die falsche Software auf dem LPC? Ich nutze die in8 für den 2te.

Gruß
Sylvio


Nach oben
 Profil  
 
 Betreff des Beitrags: Re: Fingerprintsensor
BeitragVerfasst: 19. Mai 2013 23:29 
Offline
Senior Boarder
Senior Boarder

Registriert: 2. Januar 2008 00:34
Beiträge: 60
Wohnort: Oberösterreich
melodoi hat geschrieben:
Hi Leute,

ich werde bald wahnsinnig mit diesem Fingerprint.

Habe noch mal rumgemessen. An I/O2 liegt nach dem Einschalten 0,5V an. Beim ersten Finger zieht alle, für vier Finger angelernte, Relais das 8out an. Dabei springt die Spannung auf 2,6V und bleibt da. Ein erneutes Scannen des Fingers bewirkt nichts. An I/O1 sind und bleiben die 2,6V. Das defekte Signal kommt direkt vom LPC P0.0.

Habe ich die falsche Software auf dem LPC? Ich nutze die in8 für den 2te.

Gruß
Sylvio

Hallo!
Du brauchst natrülich die hex-Datei frü den Fingerprint und keine in8!

Lg Charly


Nach oben
 Profil  
 
 Betreff des Beitrags: Re: Fingerprintsensor
BeitragVerfasst: 20. Mai 2013 00:02 
Offline
Gold Boarder
Gold Boarder

Registriert: 31. August 2011 15:17
Beiträge: 161
Hallo Charly,

überall steht, dass die Software vom 8in zu nutzen sei. Ich nahm an, dass das auch die des LPC betrift. Wie vertragen die sich sonst?

Woher kann ich die bekommen? Unter den Mondulen ist keiner verlinkt. Hast du die hex-Datei evtl.?

LG
Sylvio


Nach oben
 Profil  
 
 Betreff des Beitrags: Re: Fingerprintsensor
BeitragVerfasst: 20. Mai 2013 20:15 
Offline
Senior Boarder
Senior Boarder

Registriert: 2. Januar 2008 00:34
Beiträge: 60
Wohnort: Oberösterreich
melodoi hat geschrieben:
Hallo Charly,

überall steht, dass die Software vom 8in zu nutzen sei. Ich nahm an, dass das auch die des LPC betrift. Wie vertragen die sich sonst?

Woher kann ich die bekommen? Unter den Mondulen ist keiner verlinkt. Hast du die hex-Datei evtl.?

LG
Sylvio


Hab grad nachgesehen, auf der Homepage ist die .hex Datei tatsächlich nicht mehr vorhanden - dürfte beim Upgrade verloren gegangen sein.

Angehängt ist meine Version.
Bin mir aber nicht ganz sicher, ob das die aktuellste ist. Im Repository sind die Sourcen.

Die .hex gehört auf den LPC. In der ETS musst du als Gerät die gleiche .vd verwenden wie beim 8IN.

Versuch die mal, falls es dann noch immer nicht geht, können wir nochmal die Schaltung prüfen. Ich habe eine etwas angepasste Hardwareversion, weil ich damals eine IN8-Platine verwenet habe. Aber das sollte egal sein.

LG Charly


Dateianhänge:
fingerprint.hex [12.69 KiB]
44-mal heruntergeladen
Nach oben
 Profil  
 
 Betreff des Beitrags: Re: Fingerprintsensor
BeitragVerfasst: 20. Mai 2013 22:43 
Offline
Gold Boarder
Gold Boarder

Registriert: 31. August 2011 15:17
Beiträge: 161
Hallo Charly,

wenn ich die Zeit, die ich an der falschen Stelle gesucht habe, bewerten müsste, würde der Fingerprint jetzt 500€ kosten, von dem ein Teil dir zustünde Charly :-). DANKE!
Ich kann Teilerfolge verzeichnen :D ! Die Software war es schon mal. Wie soll man das wissen. An keiner Stelle konnte ich das finden.

Jetzt reagiert er spontan auf den ersten Finger (aber nur auf den) bei jedem geschätzen zehnten bis zwanzigsten scannen. Auf die anderen drei leider nicht. Ich muss dazu sagen, dass ich den Fingerprint AE-F100 mit RFID habe.

Würde mich sehr über deine Modifikation freuen. Wie gesagt, ich habe die Schaltung nach Alex (dieser Thread auf Seite 4) aufgebaut.

LG
Sylvio


Nach oben
 Profil  
 
 Betreff des Beitrags: Re: Fingerprintsensor
BeitragVerfasst: 20. Mai 2013 23:35 
Offline
Senior Boarder
Senior Boarder

Registriert: 2. Januar 2008 00:34
Beiträge: 60
Wohnort: Oberösterreich
melodoi hat geschrieben:
Hallo Charly,

wenn ich die Zeit, die ich an der falschen Stelle gesucht habe, bewerten müsste, würde der Fingerprint jetzt 500€ kosten, von dem ein Teil dir zustünde Charly :-). DANKE!
Ich kann Teilerfolge verzeichnen :D ! Die Software war es schon mal. Wie soll man das wissen. An keiner Stelle konnte ich das finden.

Jetzt reagiert er spontan auf den ersten Finger (aber nur auf den) bei jedem geschätzen zehnten bis zwanzigsten scannen. Auf die anderen drei leider nicht. Ich muss dazu sagen, dass ich den Fingerprint AE-F100 mit RFID habe.

Würde mich sehr über deine Modifikation freuen. Wie gesagt, ich habe die Schaltung nach Alex (dieser Thread auf Seite 4) aufgebaut.

LG
Sylvio

Hallo Sylvio!

Super, dass schon mal etwas funktioniert.

Hast du bei 10mal scannen auch 10mal den Ok-Piepton und die grüne LED vom Fingerprint?

Wenn der jedesmal korrekt scannt, liegts an der Kommunikation zur Schnittstelle.
Das Modul muss bei jedem korrekten Scan ein entsprechendes Telegramm auf den Bus senden.

Sind deine Signale D0 und D1 vor und nach dem Optokoppler schon sauber?

Ich muss mal suchen, wie meine Schaltung genau aussieht. Hab nur eine Handskizze.

LG Charly


Nach oben
 Profil  
 
 Betreff des Beitrags: Re: Fingerprintsensor
BeitragVerfasst: 21. Mai 2013 00:36 
Offline
Gold Boarder
Gold Boarder

Registriert: 31. August 2011 15:17
Beiträge: 161
Hallo Charly,

der Fingerprint scannt sehr zuverlässig immer positives Piepsen und blau Quittierung (rot bei unbekannten Finger). Das Signal kommt immer sauber an der Selbstbauplatine an. Am Ausgang (= Eingang LPC) sieht es eigentlich ganz OK aus finde ich.

Auf dem Bus landet nur dann ein Telegramm (Busmonitor), wenn es 1 von den 10 Male geklappt hat.

Was auch nicht ganz Korrekt läuft ist, dass beim gleiche Finger meistens der Kanal 1 anspricht, manchmal aber auch der Kanal 2, als wären es verschiedene Finger :evil: .

Hier noch ein paar Oszi-Bilder:

LG
Sylvio


Dateianhänge:
Fingerprint.png
Fingerprint.png [ 188.96 KiB | 5604-mal betrachtet ]
Fingerprint.pdf [118.66 KiB]
74-mal heruntergeladen
Nach oben
 Profil  
 
 Betreff des Beitrags: Re: Fingerprintsensor
BeitragVerfasst: 21. Mai 2013 22:14 
Offline
Senior Boarder
Senior Boarder

Registriert: 2. Januar 2008 00:34
Beiträge: 60
Wohnort: Oberösterreich
melodoi hat geschrieben:
Hallo Charly,

der Fingerprint scannt sehr zuverlässig immer positives Piepsen und blau Quittierung (rot bei unbekannten Finger). Das Signal kommt immer sauber an der Selbstbauplatine an. Am Ausgang (= Eingang LPC) sieht es eigentlich ganz OK aus finde ich.
...
LG
Sylvio


Hallo!

Also bei dir sieht nur das Signal "Eingang D0" normal aus. Der Rest passt so nicht. Eigentlich ist es schon fast ein Wunder, dass der LPC das manchmal richtig interpretiert :?
Da stimmt was mit der Signalaufbereitung nicht!

Miss mal D0 und D1 ohne deine Schaltung anzuschließen. Das muss so aussehen , wie auf Seite 3. Beide Signale D0 und D1 müssen saubere Impulse sein.

Ich hab meine Schaltung nochmal angesehen. Die ist etwas anders, weil ich die Platine eines 8IN verwendet habe und deshalb hab ich auch einen anderen Opto (CNY17) und andere Widerstandswerte auf der Eingangsseite.
Bei mir ist R6=10k anstatt der angegebenen 2k2. Das ist aber vom OPTO abhängig.

Die Klemme X2-1 ist bei mir auf +12V (=Versorgung vom Fingerprint)
Die anderen beiden sind D0 und D1
GND vom Fingerprint habe ich nicht auf der Eingangsschaltung des Optokopplers - bin mir nicht sicher, ob das Original ist.

Aber wenn die weiter vorne angegebene Schaltung bei Hubert funktioniert, sollte diese auch bei dir laufen.

Wie gesagt, die Signale am Eingang müssen saubere Impulse sein!

Wie hoch ist die Spannung an D0 bzw. D1 bei Ruhepegel? Wie hoch bei einem Impuls.
Dann kannst du mal die Spannungen und Strom am Optokoppler messen bzw. ausrechnen.
Bei einem Pegel muss er schalten (ca. 2-10mA), bem anderen darf er nicht (0 mA).

Hoffe das hilft.

PS: Hab grad noch gelesen, dass mal die Frage gestellt wurde, ob die beiden GND's vom LPC und vom Fingerprint verbunden gehören.
NEIN, natürlich nicht! Dazu ist der Optokoppler da, damit die beiden Seiten vollkommen elektrisch getrennt sind! Es darf also kein Signal oder Pegel(GND, 12V,D0, D1) mit dem Rest der LPC-Schaltung verbunden werden!

LG Charly


Nach oben
 Profil  
 
 Betreff des Beitrags: Re: Fingerprintsensor
BeitragVerfasst: 23. Mai 2013 23:15 
Offline
Gold Boarder
Gold Boarder

Registriert: 31. August 2011 15:17
Beiträge: 161
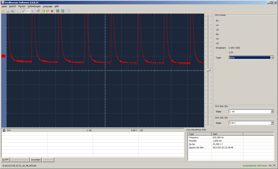
Hallo Charly,

sag mir bitte mal, wo genau ich messen soll. Über D0 und D1 sieht es nach Bild_D0_D1 bzw. Bild_D1_D0 aus, je nachdem ob die Püfspitze auf D0 oder D1 liegt. Über Masse und DO siehe Bild_GND_D0 und über Masse und D1 siehe Bild_GND_D1.

Der F1 hat den 12V Anschluss (rot und schwarz) und die Schnittstelle D0 (grün), D1 (weiß) und GND (schwarz). Den schwarzen der Schnittstelle habe ich mit unter die Masse der Spannungsversorgung geklemmt. Richtig?

Wie genau ist am Ausgang der Schaltung zu messen? Über VCC und IO1 bzw. VCC und IO2 oder auch direkt über IO1 und IO2? Komischeweise sehen die Kurven bei verdrehter Messung (Prüfspitze und Masseklemme verdreht) zum Teil völlig ander aus.

Du merkst bestimmt schon lange, dass ich Maschinenbauer mit affinität zur Elektronik bin :-).

LG
Sylvio


Dateianhänge:
Dateikommentar: Über D1 und D0 (Prüfspitze auf D1)
Bild_D1_D0.png
Bild_D1_D0.png [ 72.63 KiB | 5564-mal betrachtet ]
Dateikommentar: Über D0 und D1 (Prüfspitze auf D0)
Bild_D0_D1.png
Bild_D0_D1.png [ 70.87 KiB | 5564-mal betrachtet ]
Nach oben
 Profil  
 
 Betreff des Beitrags: Re: Fingerprintsensor
BeitragVerfasst: 23. Mai 2013 23:16 
Offline
Gold Boarder
Gold Boarder

Registriert: 31. August 2011 15:17
Beiträge: 161
Hier die weiteren Dateien...


Dateianhänge:
Dateikommentar: Über GND und D1
Bild_GND_D1.png
Bild_GND_D1.png [ 73.18 KiB | 5564-mal betrachtet ]
Dateikommentar: Über GND und D0
Bild_GND_D0.png
Bild_GND_D0.png [ 72.78 KiB | 5564-mal betrachtet ]
Nach oben
 Profil  
 
 Betreff des Beitrags: Re: Fingerprintsensor
BeitragVerfasst: 23. Mai 2013 23:23 
Offline
Gold Boarder
Gold Boarder

Registriert: 31. August 2011 15:17
Beiträge: 161
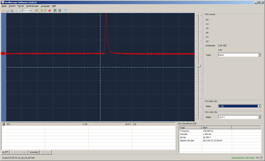
Nun der Ausgang.

Hier konnte ich die kleinen Spitzen auf der verzerrten Kurve leider nicht erfassen. Waren irgendwie zu schnell.


Dateianhänge:
Bild_IO2_IO1.png
Bild_IO2_IO1.png [ 75.31 KiB | 5561-mal betrachtet ]
Bild_IO1_IO2.png
Bild_IO1_IO2.png [ 75.97 KiB | 5561-mal betrachtet ]
Nach oben
 Profil  
 
 Betreff des Beitrags: Re: Fingerprintsensor
BeitragVerfasst: 23. Mai 2013 23:34 
Offline
Gold Boarder
Gold Boarder

Registriert: 31. August 2011 15:17
Beiträge: 161
Letztlich über IO1 und VSS sowie IO2 und VSS. Wenn ich hier die Prüfspitzen vertausche erhalte ich wieder einen total verrückten Grafen.

Also nun funktionieren alle 4 Finger auf den richtigen Ausgängen, allerding nur alle 3 bis 5 mal scannen, also noch unzuverlässig. Ab und zu werden auch die Finger vertauscht (Finger 3 löst Relais 1 aus).

LG Sylvio


Dateianhänge:
Bild_IO2_VSS.png
Bild_IO2_VSS.png [ 73.15 KiB | 5561-mal betrachtet ]
Bild_IO1_VSS.png
Bild_IO1_VSS.png [ 79.97 KiB | 5561-mal betrachtet ]
Nach oben
 Profil  
 
Beiträge der letzten Zeit anzeigen:  Sortiere nach  
Ein neues Thema erstellen Auf das Thema antworten  [ 86 Beiträge ]  Gehe zu Seite Vorherige  1, 2, 3, 4, 5, 6  Nächste

Alle Zeiten sind UTC + 2 Stunden


Wer ist online?

Mitglieder in diesem Forum: 0 Mitglieder und 2 Gäste


Du darfst keine neuen Themen in diesem Forum erstellen.
Du darfst keine Antworten zu Themen in diesem Forum erstellen.
Du darfst deine Beiträge in diesem Forum nicht ändern.
Du darfst deine Beiträge in diesem Forum nicht löschen.
Du darfst keine Dateianhänge in diesem Forum erstellen.

Suche nach:
Gehe zu:  
cron
Powered by phpBB® Forum Software © phpBB Group
Deutsche Übersetzung durch phpBB.de