freebus.org

Open Bus System
Aktuelle Zeit: 15. Juni 2015 11:56

Alle Zeiten sind UTC + 2 Stunden




Ein neues Thema erstellen Auf das Thema antworten  [ 16 Beiträge ]  Gehe zu Seite 1, 2  Nächste
Autor Nachricht
 Betreff des Beitrags: Stromüberwachung/Begrenzung EIB
BeitragVerfasst: 12. Juli 2010 22:28 
Offline
Fresh Boarder
Fresh Boarder

Registriert: 5. Juli 2010 23:13
Beiträge: 16
Wohnort: Amberg
Hallo,

ich bin neu und lese jetzt schon seit ein paar tagen im Forum und befasse mich auch mit den Grundaufbau eines Bussystems.
Ich habe hier ein Siemens Hutschienen Netzteil regelbar von 19-30V 10A, sehr kompakt und fast 90% Wirkungsgrad.
Jetzt habe ich mir bei eibmarkt.de eine Drossel von Busch&Jäger bestellt. Gleichzeitig habe ich beim eibmarkt.de
auch diese Netzteilsets gesehen, da bekommt man dann ein Netzteil, ein Strombegrenzungsbaustein 640mA und eine Drossel.

Nachdem ich ja ein 10A Netzteil habe kann ich ja Problemlos mehrere Linien speisen, allerdings will ich auch eine Strombegrenzung
drin haben. Gibt es schon Entwicklungen in diese Richtung?
Dürfte ja relativ einfach sein oder? Schaltregler, Messwiderstand, µC (Attiny oder so), LED's Hühnerfutter, Resetknopf.

Also ich bin jetzt wirklich nicht der Elektronikcrack, aber ich denke sowas könnte ich auf die beine bekommen. Wie macht ihr das mit der Strombegrenzung?
Fahrt ihr alle ohne Begrenzung bzw. Überwachung eure Komponenten an, ich meine gerade im Eigenbau ist ja die gefahr nicht gerade gering das man mal einen
kurzschluss zaubert oder sich einer aufgrund schlechter lötung ergibt. Da ja so gut wie alle netzteile Kurzschlussfest sind gibt das Netzteil ja nicht nach.

Die Origingal EIB Netzteile von ABB, Siemens etc. haben sowas ja eingebaut und geben auch Statusnachrichten über die Spannung auf den Bus aus oder?

Vielen Dank!

Mit freundlichen Grüßen

Reini


Nach oben
 Profil  
 
 Betreff des Beitrags: Re: Stromüberwachung/Begrenzung EIB
BeitragVerfasst: 13. Juli 2010 07:44 
Offline
Senior Boarder
Senior Boarder

Registriert: 17. August 2009 08:01
Beiträge: 77
Wohnort: Bonn
Hallo Reini,

erstmal Hallo und willkommen... ;-)

Zu den Orignal Netzteilen:
Sie sind Kurzschlußfest,
haben eine Strombegrenzung geben aber keinerlei Statusmeldung auf den Bus.

Dein 10A Netzteil und mehrere Linien, das Problem ist das Du die Linienstromkreise nicht galvanisch voneinander trennen kannst mit dem Netztei. Sie das aber sein müssen.
Im ungünstigsten Fall würdest Du Störsignale erzeugen, da Du ja sozusagen mehrere Linien durch zwei Drossel getrennt parallel schaltest.
Eine Strombegrenzung mußt Du Dir für dieses Netzteil in jedem Falle einbauen, da dir bei einem Kurzschluß unter umständen der Busdraht abfackeln würde, die Leiter können keine 10A vertragen.

Aber mal eine andere Frage, was für eine Großinstallation plannst Du, das Du mehrere Linien benötigst?

Gruß

Andreas


Nach oben
 Profil  
 
 Betreff des Beitrags: Re: Stromüberwachung/Begrenzung EIB
BeitragVerfasst: 13. Juli 2010 08:14 
Offline
Fresh Boarder
Fresh Boarder

Registriert: 5. Juli 2010 23:13
Beiträge: 16
Wohnort: Amberg
Guten Morgen,

danke fuer die Information :)
Ich will keine Großanlage aufbauen, hab nur das netzteil eh hier rumliegen und dachte mir das ist ideal.
Man kann auch eine Strombegrenzung am Netzteil einstellen, kein thema.

So aber bei den Netzteilsets bei eibmarkt.de steht auch ganz angeberisch drin, ein Netzteil mehrere Linien :)
Wie machen die das denn mit der Galvanischen Trennung?

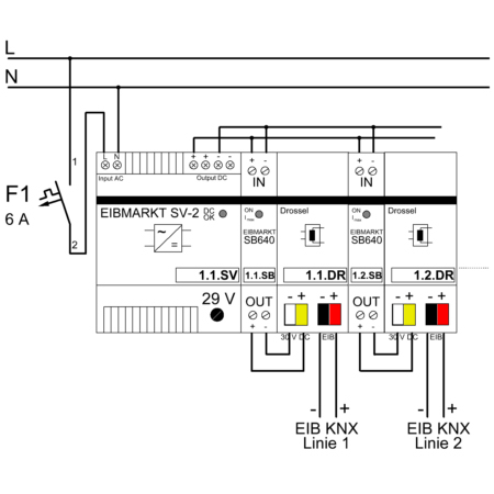
Auf diesen bild sieht man es genau:
http://www.eibmarkt.com/isroot/eibmarkt ... 01-DR1.jpg

Hier Uebernimmt quasi der Strombegrenzungsbaustein auch gleich die Galvanische Trennung?!
Ich braeuchte in meiner Strombegrenzung auch einen DC-DC 1:1 Converter, richtig?

Aber die Linien koennen dann untereinander auch nicht kommunizieren oder? Wie wird das dann geloest?

Wieviele Geraete kann ich denn an eine Linie haengen?

Ist die Stoerfestigkeit hoeher wenn man mehrere Linien nimmt?

VielenDank!


Nach oben
 Profil  
 
 Betreff des Beitrags: Re: Stromüberwachung/Begrenzung EIB
BeitragVerfasst: 13. Juli 2010 08:21 
Offline
Gold Boarder
Gold Boarder

Registriert: 6. Mai 2009 15:08
Beiträge: 181
Hallo Freakster,

grundsätzlich kannst du an eine Linie soviel Geräte hängen wie du möchtest.
Bei einem 640 mA Netzteil, empfiehlt man jedoch nicht mehr als 64 Geräte an eine Linie zu hängen.
( Es wird im Schnitt 10 mA pro Gerät gerechnet )

Wenn man mehrere Linien hat, dann muss man diese mit einem sogenannten "Linienkoppler" verbinden.
Dieses wirst du z.B. auch in dem Eibmarkt-Shop finden.

Gruß,

Uwe


Nach oben
 Profil  
 
 Betreff des Beitrags: Re: Stromüberwachung/Begrenzung EIB
BeitragVerfasst: 13. Juli 2010 08:42 
Offline
Fresh Boarder
Fresh Boarder

Registriert: 5. Juli 2010 23:13
Beiträge: 16
Wohnort: Amberg
Hallo Uwe,

hab das grad eben auch gelesen mit den 64 Teilnehmern pro Linie.
Hat das denn hier schon mal jemand ueberschritten?
Linienkoppler hab ich auch gefunden bei eibmarkt.

Kommt das wirklich hin das ein Modul mit 8 Relaisausgaengen mit Mikrocontroller und LED-Modul nur
10mA braucht? Ich weiss das die Relais mit PWM angfahren werden, aber trotzdem.
10mA ist ja nicht die welt.

Gruss Reini!


Nach oben
 Profil  
 
 Betreff des Beitrags: Re: Stromüberwachung/Begrenzung EIB
BeitragVerfasst: 13. Juli 2010 08:53 
Offline
Gold Boarder
Gold Boarder

Registriert: 6. Mai 2009 15:08
Beiträge: 181
Im Schnitt kommt das wirklich mit den 10 mA hin.
Ich habe das bei mir mal gemessen.

In Wirklichkeit lag ich im Schnitt sogar unter den 10 mA.
( Ein GIRA Taster braucht z.B. sehr wenig und fließt ja dann als Gerät mit in den Schnitt ein )

Wegen dem Linienkoppler:

Ich denke das man bei einem normalen Einfamilienhaus nicht über 64 Geräte kommt.
( man möge mich hier berichtigen )

Linienkoppler brauchst du evtl. wenn du z.B. Linien unterteilen möchtest um das z.B. übersichtlicher zu gestalten
( Du hast dann andere Gruppenadressen ) ( Eine Linie im Haus, eine Linie in der Mietwohnung )


Nach oben
 Profil  
 
 Betreff des Beitrags: Re: Stromüberwachung/Begrenzung EIB
BeitragVerfasst: 13. Juli 2010 09:24 
Offline
Senior Boarder
Senior Boarder

Registriert: 13. Januar 2009 13:58
Beiträge: 55
Wohnort: 24558 Henstedt-Ulzburg
Wenn man EIB / KNX / FreeBus konsequent einsetzt, kommen die 64 Geräte erstaunlich schnell zusammen. Ein Einfamilienhaus hat mit Diele, Flure, Küche, Bad, WC, Kinderzimmern, etc. auch mal mehr als 10 Räume (mit Keller komme ich auf 20). Bei im Schnitt nur ein bis zwei Sensoren pro Raum sind das bereits mehr als 20 Geräte. Wenn man im Schnitt einen Dimmeraktor pro Raum verbaut, dann sind das ebenfalls >5 (2-Kanal) bzw. >10 (1-Kanal) Geräte. Wenn dann noch eine Fußbodenheizung verlegt wurde, braucht man ein paar zusätzliche Aktoren für die Steuerung (vorausgesetzt die Raumtemperaturregler sind in den normalen Sensoren enthalten sonst kommen auch diese extra). Dazu kommt dann alles was man sonst noch so hat / braucht (Bewegungsmelder, Schaltaktoren, Kombisensor, Binäreingänge, Rolladen/Jalousieaktoren, Schnittstelle(n) zum Bus, etc.).

64 Geräte pro Linie sollte man aus den bereits genannten Gründen nicht überschreiten. Generell empfiehlt es sich diese Grenze nicht gleich zu Beginn voll auszuschöpfen, damit man später noch etwas Luft für neue Ideen hat. Bei mir hat sich im Rückblick 75% als guter Wert herausgestellt (wenn man mit einer kleinen Installation anfängt ggf. auch weniger).

Ist vielleicht nicht unbedingt das typische Einfamilienhaus, aber ich bin mit einer Linie (64 Geräte) nicht ausgekommen. Zur besseren Strukturierung habe ich dann jeweils eine Linie pro Stockwerk (Keller, EG, 1. OG) plus eine Hauptlinie realisiert. Somit habe ich jetzt in fast allen Linien noch genügend Luft für Erweiterungen.

Gruß,
Michael


Nach oben
 Profil  
 
 Betreff des Beitrags: Re: Stromüberwachung/Begrenzung EIB
BeitragVerfasst: 13. Juli 2010 14:59 
Offline
Platinum Boarder
Platinum Boarder

Registriert: 9. Oktober 2007 20:48
Beiträge: 961
Wohnort: Bad Königshofen
Hallo
ein freebus aktor out8 nimmt bei alle relaise an so 16-18mA.
Nur kann man den auch mit separatem Netzteil extern versorgen, dann bleiben da 5mA übrig.
Taster brauchen 3mA, freebustaster so 5mA.
Vor der Drossel kannst du die zusammen auf eine Versorgung hängen, ist halt kritisch wenn
die ausfällt.
Wenn mehrere Linien dann auch mehrere Versorgungen im idealfall auf unterschiedlichen Phasen angeschlossen.
Für die Begrenzung könnte auch eine einfache Sicherung herhalten. zum Rumbasteln sollte man eh extra Testbus aufbauen. Da tut es ein altes Druckernetzteil mit Drossel.

_________________
LG
Andreas


Nach oben
 Profil  
 
 Betreff des Beitrags: Re: Stromüberwachung/Begrenzung EIB
BeitragVerfasst: 13. Juli 2010 20:28 
Offline
Expert Boarder
Expert Boarder

Registriert: 6. April 2010 21:35
Beiträge: 122
Freakster hat geschrieben:
...
Ich habe hier ein Siemens Hutschienen Netzteil regelbar von 19-30V 10A, sehr kompakt und fast 90% Wirkungsgrad. ...

Ich glaube kaum, daß das Netzteil bei der geringen Leistung, wie sie hier zu erwarten ist (<<1A), noch einen Wirkungsgrad von 90% hat. Da könnte dann das Netzteil über die Jahre doch teuer werden.


Nach oben
 Profil  
 
 Betreff des Beitrags: Re: Stromüberwachung/Begrenzung EIB
BeitragVerfasst: 14. Juli 2010 16:58 
Offline
Fresh Boarder
Fresh Boarder

Registriert: 5. Juli 2010 23:13
Beiträge: 16
Wohnort: Amberg
Hallo Leute,

also das mit den mehr als 64 Teilnehmer hab ich auch gedacht das ich das bei konsequenter Nutzung schaffen werde, wollte beim praktischen Einsatz dann auch eine Linie pro Etage einsetzen.
Ist diese redudante denken wirklich noetig? Also pro Linie Ein Netzteil die Netzteile am besten auf verschiedene Phasen legen etc? am bestens noch eine USV ran?
Hatte schon mal jemand einen netzteilausfall?

Versorgt ihr Eure 8out Aktoren mit sperater Betriebsspannung?

Zu dem Wirkungsgrad dieses Netzteils, welche Wirkungsgrade haben denn EIB Netzteile, hab Nirgends eine Angabe dazu gefunden. Sobald die Drossel da ist werde ich denk Wirkungsgrad des Siemens Netzteil mal rausmessen.

@mhav wie hast du das mit den Netzteilen gelöst und wie ist deine Stromversorgung aufgebaut? Auch mit USV oder Notstrom?

Vielen Dank

Gruß Reini


Nach oben
 Profil  
 
 Betreff des Beitrags: Re: Stromüberwachung/Begrenzung EIB
BeitragVerfasst: 14. Juli 2010 20:27 
Offline
Senior Boarder
Senior Boarder

Registriert: 13. Januar 2009 13:58
Beiträge: 55
Wohnort: 24558 Henstedt-Ulzburg
Ob das redundante Denken notwendig ist, würde ich auch in Frage stellen. Aber bei mehr als 50 Geräten muss man schon genau rechnen ob die 640 mA des Standard Netzteils ausreichen. Sensoren brauchen meistens weniger (Ausnahme viele LEDs eingeschaltet). Schaltaktoren können die 10mA schon mal ausnutzen oder sogar überschreiten.

Die Begrenzung auf 64 Geräte hängt auch mit den Leitungs-Kapazitäten der einzelnen Geräte und der Treiberleistung der Bustreiber der Geräte zusammen. Es gibt auch einen KNX Standard mit 256 Geräten, allerdings habe ich auf die Schnelle nicht gefunden wo und wie man das unterscheidet.

Ich setze pro Linie jeweils ein eigenes 640 mA Netzteil ein. Unterschiedliche Phasen nutze ich nicht bewusst (könnte aber sein). Da auf der Hauptlinie sehr wenige Geräte sind, nutze ich das Netzteil für die Keller-Linie mit einer extra Drossel. Aufgrund von gelegentlichem Telegramverlust auf der Keller-Linie werde ich aber mal probieren ob es mit extra Netzteil besser wird.

Eine USV benutze ich nicht. Die EIB USVs waren mir zu groß und zu teuer. Normale USVs in jedem Stockwerk waren zu aufwendig. Ich lebe einfach mit den sehr seltenen Stromausfällen.

Ein Netzteilausfall hatte ich noch nicht, allerdings hat das bei einem Freund schon mal zum Chaos geführt -> falsche Programmierung der Aktoren für Busspannungsausfall -> alle Rollläden runter :-)


Nach oben
 Profil  
 
 Betreff des Beitrags: Re: Stromüberwachung/Begrenzung EIB
BeitragVerfasst: 14. Juli 2010 21:36 
Offline
Platinum Boarder
Platinum Boarder

Registriert: 9. Oktober 2007 20:48
Beiträge: 961
Wohnort: Bad Königshofen
ähm..
64 geräte bei den alten trafogekoppelten, 256 geräte bei den neuen mit FET so wie unsere schaltung auch ist.

ob redundant oder nicht muss jeder selber wissen, ich wollte nur hinweisen, dass bei den
originalen bistabile relaise Verwendung finden, da brennt das licht halt weiter wenn das
netzteil oder die Phase zu diesem ausfällt. Bei unseren ists halt dann dunkel, es sei denn
es ist vorgesogt. Zu überlegen wäre auch ein Akku vor Drossel, denke mal günstiger als
USV.

_________________
LG
Andreas


Nach oben
 Profil  
 
 Betreff des Beitrags: Re: Stromüberwachung/Begrenzung EIB
BeitragVerfasst: 15. Juli 2010 09:14 
Offline
Fresh Boarder
Fresh Boarder

Registriert: 5. Juli 2010 23:13
Beiträge: 16
Wohnort: Amberg
Aso, alles klar soweit.
Das die bi stabilen so teuer sind hab ich garnicht gesehen.

Aber die Temperaturüberwachung wäre doch nur ein ADC Port Am Controller und ein
temaraturwiderstand. Keine hohe Kostenfrage und Ein bisschen Sicherheit?

Nochwas, warum ist in den original drosseln eine Spule drin und in Nachbau Ein FET?

Gibt es ein pojekt linienkoppler nachzubauen?

LG Reini


Nach oben
 Profil  
 
 Betreff des Beitrags: Re: Stromüberwachung/Begrenzung EIB
BeitragVerfasst: 15. Juli 2010 09:30 
Offline
Senior Boarder
Senior Boarder

Registriert: 17. August 2009 08:01
Beiträge: 77
Wohnort: Bonn
Freakster hat geschrieben:
Aso, alles klar soweit.
Das die bi stabilen so teuer sind hab ich garnicht gesehen.

Je nachdem welche Typen Du nutzen willst liegen sie über 10e /Stk und sind nur sehr schwierig zu beschaffen, z.B. in den B&J Aktoren mit Handbetätigung werden die Relais nur direkt von der Herstellerfirma vertrieben und nur an Firmen.

Freakster hat geschrieben:
Aber die Temperaturüberwachung wäre doch nur ein ADC Port Am Controller und ein
temaraturwiderstand. Keine hohe Kostenfrage und Ein bisschen Sicherheit?


das ist richtig, jedoch het der eingesetzte LPC einen AD-Wandler on Board (Diese Version)

Freakster hat geschrieben:
Nochwas, warum ist in den original drosseln eine Spule drin und in Nachbau Ein FET?


Wer weiß das schon, vielleicht ist es stabiler, soweit ich weiß ist nicht sicher das die FET-Schaltung auch bei großen Installationen sauber funktioniert (Es ist noch nicht getestet).

Freakster hat geschrieben:
Gibt es ein pojekt linienkoppler nachzubauen?

LG Reini

Soweit ich weiß nicht, aber wenn du magst, fang es doch einfach an.

Laut KNX ist es auch vorgesehen das max. 64 Tln pro Linie existieren, man kann eine Linie auch auf 256 TLN erweiteren, dann braucht man allerdings immer zwischen den 64 Gruppen einen Linienverstärker.

Gruß

Andreas


Nach oben
 Profil  
 
 Betreff des Beitrags: Re: Stromüberwachung/Begrenzung EIB
BeitragVerfasst: 15. Juli 2010 09:54 
Offline
Senior Boarder
Senior Boarder

Registriert: 13. Januar 2009 13:58
Beiträge: 55
Wohnort: 24558 Henstedt-Ulzburg
Andy_BN hat geschrieben:
Laut KNX ist es auch vorgesehen das max. 64 Tln pro Linie existieren, man kann eine Linie auch auf 256 TLN erweiteren, dann braucht man allerdings immer zwischen den 64 Gruppen einen Linienverstärker.


Laut KNX Spezifikation gibt es zwei Varianten:

1. 64 Teilnehmer pro Linie für Geräte mit "alter" Trafo Kopplung (ältere EIB/KNX Geräte)
2. 256 Teilnehmer pro Linie für Geräte mit neuer "FET" Kopplung wie z.B. von FreeBus genutzt (danke an oldcoolman für den Hinweis).

Bei neueren Installationen mit aktuellen Geräten sollte man daher davon ausgehen können, dass bis zu 256 Geräten möglich sind. Dann ist aber auf die Stromversorgung bei mehr als ca. 50 Geräten zu achten (max. 12 mA pro Teilnehmer sind erlaubt). Mit 64 Geräten pro Linie ist man normalerweise noch auf der sicheren Seite (Kopplung und Stromverbrauch).

Gruß,
Michael


Nach oben
 Profil  
 
Beiträge der letzten Zeit anzeigen:  Sortiere nach  
Ein neues Thema erstellen Auf das Thema antworten  [ 16 Beiträge ]  Gehe zu Seite 1, 2  Nächste

Alle Zeiten sind UTC + 2 Stunden


Wer ist online?

Mitglieder in diesem Forum: 0 Mitglieder und 1 Gast


Du darfst keine neuen Themen in diesem Forum erstellen.
Du darfst keine Antworten zu Themen in diesem Forum erstellen.
Du darfst deine Beiträge in diesem Forum nicht ändern.
Du darfst deine Beiträge in diesem Forum nicht löschen.
Du darfst keine Dateianhänge in diesem Forum erstellen.

Suche nach:
Gehe zu:  
Powered by phpBB® Forum Software © phpBB Group
Deutsche Übersetzung durch phpBB.de