freebus.org

Open Bus System
Aktuelle Zeit: 15. Juni 2015 15:28

Alle Zeiten sind UTC + 2 Stunden




Ein neues Thema erstellen Auf das Thema antworten  [ 13 Beiträge ] 
Autor Nachricht
 Betreff des Beitrags: Controller 3.43 gehen nicht
BeitragVerfasst: 5. Juli 2011 14:17 
Offline
Senior Boarder
Senior Boarder

Registriert: 5. Mai 2011 07:10
Beiträge: 57
Wohnort: Eschweiler
Hallo Zusammen,
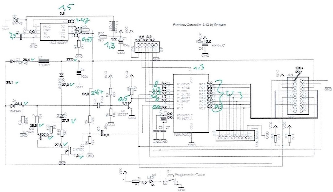
ich habe 5 Controller für den OUT-8 und 2für den Jalousieaktor zusammengebaut. Leider funktionieren Sie nicht auf anhieb. Ich habe den 2N7000 nicht von R.... sondern von C.... gekauft, damit ich keinen A-Typ erwische. Interessant ist, dass ein Board mal kurz funktioniert hat, aber bei einen zweiten Test nicht mehr wollte. Ich habe zum testen eine Relaisplatine und das Tasterboard angeschlossen. Programmiert habe ich die kalibrierbare-Firmware hier aus dem Forum. Kein Bauteil wird heiß und raucht. Ich habe die Fehlersuchseite aus der Fibel genutzt und meine Messwerte eingetragen. Vielleicht hat ja jemand eine Idee wo es hackt.

Gruss
Nobi


Dateianhänge:
Controller.jpg
Controller.jpg [ 131.77 KiB | 1681-mal betrachtet ]
Nach oben
 Profil  
 
 Betreff des Beitrags: Re: Controller 3.43 gehen nicht
BeitragVerfasst: 5. Juli 2011 17:39 
Offline
Expert Boarder
Expert Boarder

Registriert: 23. Juli 2009 15:16
Beiträge: 126
Wohnort: Hemmoor
Hallo,

deine Messwerte sind nicht ganz eindeutig. Bei den 27,3 ist ein Haken und weiter "hinten" sinds dann nur noch 24,7?

Wenn am LPC wirklich nur 1,3V sind bin ich ziemlich sicher das der nicht funktioniert, das ist einfach zu wenig. (evtl. startet der wegen der BOD immer neu, falls sich da überhaupt was tut).
Sind ohne LPC die 3,2V da? Wenn nicht ist da schon was nicht in Ordnung.

erich73


Nach oben
 Profil  
 
 Betreff des Beitrags: Re: Controller 3.43 gehen nicht
BeitragVerfasst: 5. Juli 2011 18:19 
Offline
Fresh Boarder
Fresh Boarder

Registriert: 14. Februar 2011 14:23
Beiträge: 5
Wohnort: Hessen
Klemm mal die Relaisplatine ab und guck ob es dann geht, bzw entferne testweise mal den 74HC573

Der hatte z.B. bei mir nen Kurzen auf ein paar ports verursacht und damit ging dann gar nix.


Nach oben
 Profil  
 
 Betreff des Beitrags: Re: Controller 3.43 gehen nicht
BeitragVerfasst: 6. Juli 2011 07:36 
Offline
Senior Boarder
Senior Boarder

Registriert: 5. Mai 2011 07:10
Beiträge: 57
Wohnort: Eschweiler
Guten morgen,

also der Punkt geht an Ratchet, der 74HC573 hat Mucken gemacht, auf einem anderen Board war es dann der LPC.

Vielen Dank!

Gruss
Nobi


Nach oben
 Profil  
 
 Betreff des Beitrags: Re: Controller 3.43 gehen nicht
BeitragVerfasst: 7. Juli 2011 07:15 
Offline
Senior Boarder
Senior Boarder

Registriert: 5. Mai 2011 07:10
Beiträge: 57
Wohnort: Eschweiler
Guten morgen,

es waren jetzt auf mehreren Boards die 74573 defekt. Man konnte das auch an den Ausgangspins des Prozessors sehen dort lagen zwischen 0,6-1,5V an. Ich habe jetzt immer Prozessor und 74573 getauscht und die Boards gehen jetzt.
Kann es sein, dass die Prozessoren durch die Rückspannung komplett gestorben sind? Sie lassen sich auch alle nicht mehr programmieren.

Gruss
Nobi


Nach oben
 Profil  
 
 Betreff des Beitrags: Re: Controller 3.43 gehen nicht
BeitragVerfasst: 7. Juli 2011 12:06 
Offline
Fresh Boarder
Fresh Boarder

Registriert: 14. Februar 2011 14:23
Beiträge: 5
Wohnort: Hessen
Ich würd mal auf ne Reihe von defekten 74HC537 tippen.
Meine jetzigen hab ich von Reichelt und die sind auch von nem anderen Hersteller als der erste.
Der LPC ging danach allerdings noch.
Ich dachte zuerst, es käme evtl davon, dass ich im Betrieb mal die Boards voneinander getrennt hab. Scheint aber wohl an dem 74HC537 gelegen zu haben. Der hat bei mir etwa 5 ports des LPC auf Null gezogen und deswegen ging gar nix.


Nach oben
 Profil  
 
 Betreff des Beitrags: Re: Controller 3.43 gehen nicht
BeitragVerfasst: 7. Juli 2011 18:53 
Offline
Platinum Boarder
Platinum Boarder

Registriert: 9. Oktober 2007 20:48
Beiträge: 961
Wohnort: Bad Königshofen
Bisher kam das nur bei usern vor die untern Spannung die 20 polige gesteckt/abgezogen haben, bzw die Elkos wohl noch Spannung führten.

_________________
LG
Andreas


Nach oben
 Profil  
 
 Betreff des Beitrags: Re: Controller 3.43 gehen nicht
BeitragVerfasst: 7. Juli 2011 20:25 
Offline
Senior Boarder
Senior Boarder

Registriert: 5. Mai 2011 07:10
Beiträge: 57
Wohnort: Eschweiler
das will ich jetzt weder bestätigen noch dementieren :oops:


Nach oben
 Profil  
 
 Betreff des Beitrags: Re: Controller 3.43 gehen nicht
BeitragVerfasst: 11. Juli 2011 06:39 
Offline
Senior Boarder
Senior Boarder

Registriert: 5. Mai 2011 07:10
Beiträge: 57
Wohnort: Eschweiler
Guten morgen,

eine kleine Frage habe ich noch, bei zwei von fünf Schaltaktoren funktioniert der letzte Kanal nicht mit Handbetrieb (Busansteuerung habe ich noch nicht getestet), beim drücken des Schalters glimmt noch nichtmal die LED auf, hat jemand eine Idee, wie man das beheben könnte?

Gruss
Nobi


Nach oben
 Profil  
 
 Betreff des Beitrags: Re: Controller 3.43 gehen nicht
BeitragVerfasst: 11. Juli 2011 08:00 
Offline
Platinum Boarder
Platinum Boarder

Registriert: 9. Oktober 2007 20:48
Beiträge: 961
Wohnort: Bad Königshofen
oh..jetzt bin ich mir nicht sicher, aber gib den erst mal 8X GA und programmiere ihn.
wenn doch nicht geht: Diode auf der LED-Taster richtigrum Drinne?

_________________
LG
Andreas


Nach oben
 Profil  
 
 Betreff des Beitrags: Re: Controller 3.43 gehen nicht
BeitragVerfasst: 11. Juli 2011 08:24 
Offline
Senior Boarder
Senior Boarder

Registriert: 5. Mai 2011 07:10
Beiträge: 57
Wohnort: Eschweiler
das kann ich erst ende der Woche testen, habe aber verschiedene Tasterboards ausprobiert und bei den drei anderen hat es ja geklappt.

Gruss


Nach oben
 Profil  
 
 Betreff des Beitrags: Re: Controller 3.43 gehen nicht
BeitragVerfasst: 13. Juli 2011 12:36 
Offline
Platinum Boarder
Platinum Boarder

Registriert: 9. Oktober 2007 20:48
Beiträge: 961
Wohnort: Bad Königshofen
hmm, Die Signale hab ich glaub ich manchmal über den Taster geführt,
guck mal ob alle Anschlüsse verlötet hast...

ich würde erst mal die Taster ohmsch durchmessen.

hab ich doch richtig verstanden:
2 Tasterbords gehen an verschiedenen controllerbords nicht?

_________________
LG
Andreas


Nach oben
 Profil  
 
 Betreff des Beitrags: Re: Controller 3.43 gehen nicht
BeitragVerfasst: 13. Juli 2011 13:29 
Offline
Senior Boarder
Senior Boarder

Registriert: 5. Mai 2011 07:10
Beiträge: 57
Wohnort: Eschweiler
nein andersrum, zwei Controllerboards gehen mit verschiedenen Tasterboards nicht, bzw. gehen nicht vollständig.
Ich werde die Lötstellen noch mal komplett checken.

Gruss
Norbert


Nach oben
 Profil  
 
Beiträge der letzten Zeit anzeigen:  Sortiere nach  
Ein neues Thema erstellen Auf das Thema antworten  [ 13 Beiträge ] 

Alle Zeiten sind UTC + 2 Stunden


Wer ist online?

Mitglieder in diesem Forum: 0 Mitglieder und 1 Gast


Du darfst keine neuen Themen in diesem Forum erstellen.
Du darfst keine Antworten zu Themen in diesem Forum erstellen.
Du darfst deine Beiträge in diesem Forum nicht ändern.
Du darfst deine Beiträge in diesem Forum nicht löschen.
Du darfst keine Dateianhänge in diesem Forum erstellen.

Suche nach:
Gehe zu:  
Powered by phpBB® Forum Software © phpBB Group
Deutsche Übersetzung durch phpBB.de