freebus.org

Open Bus System
Aktuelle Zeit: 15. Juni 2015 15:54

Alle Zeiten sind UTC + 2 Stunden




Ein neues Thema erstellen Auf das Thema antworten  [ 10 Beiträge ] 
Autor Nachricht
BeitragVerfasst: 14. März 2012 12:43 
Offline
Senior Boarder
Senior Boarder

Registriert: 20. Januar 2012 15:55
Beiträge: 47
Ist die Applikation-Platine ganz gleich?
Die Unterschiede ist nur im Firmware, oder?

mfg


Nach oben
 Profil  
 
BeitragVerfasst: 14. März 2012 12:48 
Offline
Platinum Boarder
Platinum Boarder

Registriert: 9. Oktober 2007 20:48
Beiträge: 961
Wohnort: Bad Königshofen
bei out8 : 8 Schließer Relaise bestücken
bei jalo: 4 wechsler und 4 Schließer Relaise bestücken
jeweilige firmware flashen.

_________________
LG
Andreas


Nach oben
 Profil  
 
BeitragVerfasst: 15. März 2012 00:49 
Offline
Senior Boarder
Senior Boarder

Registriert: 20. Januar 2012 15:55
Beiträge: 47
oldcoolman hat geschrieben:
bei out8 : 8 Schließer Relaise bestücken
bei jalo: 4 wechsler und 4 Schließer Relaise bestücken
jeweilige firmware flashen.


Im fibel schreibt das auch.
aber im Platine gibt es ganz anders.

bei jalo, ja, stimmt so.
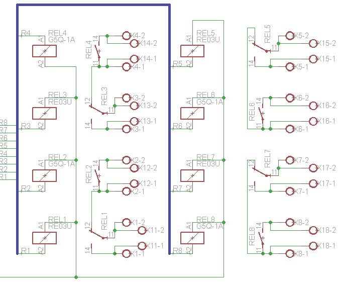
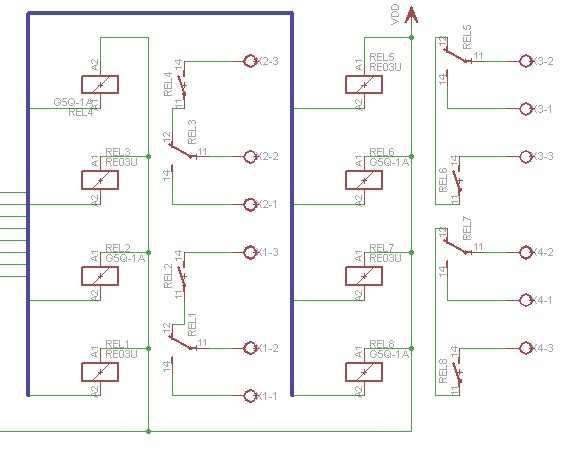
Dateianhang:
jallo.jpg
jallo.jpg [ 41.41 KiB | 760-mal betrachtet ]

bei out8: auch 4 wchsler und 4 Schließer !
Dateianhang:
8out.jpg
8out.jpg [ 78.32 KiB | 760-mal betrachtet ]


i kann leider nicht verstehen.


Nach oben
 Profil  
 
BeitragVerfasst: 15. März 2012 13:28 
Offline
Expert Boarder
Expert Boarder

Registriert: 5. Juli 2009 16:47
Beiträge: 151
Wohnort: Ostfildern
Hallo,

bei den Schließern gibt es den Anschluß 12 nicht, d.h. wenn diese statt den Wechlern eingelötet werden ist es die 8-Out

Petzi


Nach oben
 Profil  
 
BeitragVerfasst: 15. März 2012 15:07 
Offline
Senior Boarder
Senior Boarder

Registriert: 20. Januar 2012 15:55
Beiträge: 47
petzoldt hat geschrieben:
Hallo,

bei den Schließern gibt es den Anschluß 12 nicht, d.h. wenn diese statt den Wechlern eingelötet werden ist es die 8-Out

Petzi


Hallo Petzi,

vielen Dank für deine Antwort.

d.h. bei 8-out und bei jallo, BOM sind ganz gleich. Aber für die 8-Out muss Anschluß 1 und 2 eingelötet werden.
Aber die Antwort von Oldcoolman ist anders, oder?

Ich bin zweifel jetzt...


Nach oben
 Profil  
 
BeitragVerfasst: 15. März 2012 15:19 
Offline
Platinum Boarder
Platinum Boarder

Registriert: 9. Oktober 2007 20:48
Beiträge: 961
Wohnort: Bad Königshofen
out8 : 8 schließer einlöten. (hier ist das Loch für Anschluß 12 leer)schließer= G5q-1A-EU 24DC
jalousie: 4 schließer, 4 wechsler einlöten. (hier ist Anschluß 12 verlötet) wechsler= G5Q-14-....

Bitte NICHT wechsler nehmen und den Pin 12 abschneiden!!!
Es muss Isolation sicher sein.

_________________
LG
Andreas


Nach oben
 Profil  
 
BeitragVerfasst: 15. März 2012 15:30 
Offline
Senior Boarder
Senior Boarder

Registriert: 20. Januar 2012 15:55
Beiträge: 47
oldcoolman hat geschrieben:
out8 : 8 schließer einlöten. (hier ist das Loch für Anschluß 12 leer)schließer= G5q-1A-EU 24DC
jalousie: 4 schließer, 4 wechsler einlöten. (hier ist Anschluß 12 verlötet) wechsler= G5Q-14-....

Bitte NICHT wechsler nehmen und den Pin 12 abschneiden!!!
Es muss Isolation sicher sein.


Hallo Andreas,

aus den BOM vom 8-out-Platine (Homepage) kann ich sehen, 4 schließer und 4 wechsler.(4xG5Q-1A... und 4xG5Q-1...)
d.h. diese ist falsh, oder?


Nach oben
 Profil  
 
BeitragVerfasst: 15. März 2012 20:39 
Offline
Administrator
Administrator

Registriert: 15. September 2007 15:31
Beiträge: 702
Wohnort: Fürstenfeldbruck
Hallo vannachen,

du bist dir wirklich sicher was du machst?
Dir ist klar, das der 8-out und der 4-Jalo beide mit 230V arbeiten, was eine lebensgefährliche Spannung ist? Wenn du hier einen Fehler machst, kann es zu Sachen wie einen Brand kommen oder du kannst auch einen tödlichen Stromschlag bekommen! Wenn du Dir hier nicht 100% sicher bist, lass die Finger davon und kaufe dir ein fertiges Gerät.

Deine Frage wurd ganz klar beantwortet, bei einem 8-out kommen 8 Schliesser rein, bei der Jalo Bestückung 4 Schliesser und 4 Wechsler. Wie das bestückt werden muss, ist klar dokumentiert.

_________________
Gruß
Matthias


Nach oben
 Profil  
 
BeitragVerfasst: 16. März 2012 09:15 
Offline
Platinum Boarder
Platinum Boarder

Registriert: 9. Oktober 2007 20:48
Beiträge: 961
Wohnort: Bad Königshofen
Hallo Vanachen,
Wenn man die Möglichkeit vorsehen will, wechsler ein zu bauen, dann muß man diese im layout zeichnen. Somit sind diese wechsler dann in der BOM.

für out8 auf jeden Fall 8 Schließer hernehmen !

we want to make a bord for both aplications. So we draw the shutter aplication on bord.
eagle generates the BOM from this sheet. This is the reason, because there are different
relays in the BOM.
if you wanbt to build a out8 take 8 'normal open' relays, please.

thanks.

_________________
LG
Andreas


Nach oben
 Profil  
 
BeitragVerfasst: 16. März 2012 10:05 
Offline
Senior Boarder
Senior Boarder

Registriert: 20. Januar 2012 15:55
Beiträge: 47
oldcoolman hat geschrieben:
Hallo Vanachen,
Wenn man die Möglichkeit vorsehen will, wechsler ein zu bauen, dann muß man diese im layout zeichnen. Somit sind diese wechsler dann in der BOM.

für out8 auf jeden Fall 8 Schließer hernehmen !

we want to make a bord for both aplications. So we draw the shutter aplication on bord.
eagle generates the BOM from this sheet. This is the reason, because there are different
relays in the BOM.
if you wanbt to build a out8 take 8 'normal open' relays, please.

thanks.


OK
Alles klar!
vielen Dank

mfg


Nach oben
 Profil  
 
Beiträge der letzten Zeit anzeigen:  Sortiere nach  
Ein neues Thema erstellen Auf das Thema antworten  [ 10 Beiträge ] 

Alle Zeiten sind UTC + 2 Stunden


Wer ist online?

Mitglieder in diesem Forum: 0 Mitglieder und 2 Gäste


Du darfst keine neuen Themen in diesem Forum erstellen.
Du darfst keine Antworten zu Themen in diesem Forum erstellen.
Du darfst deine Beiträge in diesem Forum nicht ändern.
Du darfst deine Beiträge in diesem Forum nicht löschen.
Du darfst keine Dateianhänge in diesem Forum erstellen.

Suche nach:
Gehe zu:  
cron
Powered by phpBB® Forum Software © phpBB Group
Deutsche Übersetzung durch phpBB.de