freebus.org

Open Bus System
Aktuelle Zeit: 15. Juni 2015 15:23

Alle Zeiten sind UTC + 2 Stunden




Ein neues Thema erstellen Auf das Thema antworten  [ 24 Beiträge ]  Gehe zu Seite 1, 2  Nächste
Autor Nachricht
BeitragVerfasst: 16. April 2013 13:56 
Offline
Junior Boarder
Junior Boarder

Registriert: 8. Juli 2011 09:31
Beiträge: 26
Hallo allesamt,

kann mir wer sagen, ob es eine Rollo-SW für das Relaisboard mit 74HC573 gibt, die kalibrierbar und/oder Watchdog hat?

Gleiches gilt auch für den Out-8

Hab keinen Selbstbau LPC-Progger und kann somit leider nicht mit dem Terminalprogramm nachsehen. Und ehrlich gesagt ist das auch nicht gerade die Lösung. Da wäre ein einfacher Hinweis auf der Homepage (mal wieder) goldwert!

Danke schon mal und viele Grüße

Max


Nach oben
 Profil  
 
BeitragVerfasst: 16. April 2013 14:57 
Offline
Junior Boarder
Junior Boarder

Registriert: 8. Juli 2011 09:31
Beiträge: 26
Hallo,

vielen Dank für die Info.

Mit dem kleinen OSC gibt es keine Aufhänger mehr? Gibt es Bilder von dem Mini-Platinchen?

VG Max


Nach oben
 Profil  
 
BeitragVerfasst: 16. April 2013 20:01 
Offline
Platinum Boarder
Platinum Boarder

Registriert: 9. Oktober 2007 20:48
Beiträge: 961
Wohnort: Bad Königshofen
Hallo,
nicht 100% sicher, er ist um ein vielfaches besser als der Quarz, auch nicht abhängig von noise auf VCC und Temperatur, aber nicht ganz so resistent gegen Elektromagnetische Impulse wie der interne OSC. Ich hab den jetzt so 6 Monate in
meinen Rolloaktoren drinnen und hab meine Ruhe.
Die Platinchen kommen erst.
Du kannst den OSC aber auch direkt an den LPC löten pin5, 6 und ein Draht von pin15
auf OSC VCC+enable.

_________________
LG
Andreas


Nach oben
 Profil  
 
BeitragVerfasst: 17. April 2013 07:30 
Offline
Expert Boarder
Expert Boarder

Registriert: 15. Oktober 2010 18:13
Beiträge: 145
oldcoolman hat geschrieben:
Ein user hat miniplatinchen bestellt, diese dienen dann zum leichteren Nachrüsten mit OSC. der OSC wird dann amit den kerko auf das platinchen gelötet, und selbiges dann unten auf der Lötseite unter dem LPC verlötet.

Das Thema interessiert mich auch sehr! Weiter Infos wären super.

Gruß
René

_________________
Die Sollbruchstelle des Toilettenpapiers hat ihre Lösungsstruktur geändert.


Nach oben
 Profil  
 
BeitragVerfasst: 17. April 2013 10:47 
Offline
Platinum Boarder
Platinum Boarder

Registriert: 9. Oktober 2007 20:48
Beiträge: 961
Wohnort: Bad Königshofen
Hallo René,
es handelt sich um ein winziges Platinchen mit halben Lötaugen am Rand.
Die Dicke ist sehr gering gewählt.
Ich würde an den 3 oder 4 relevanten Lötstellen des LPC-Sockels etwas Lötzinn absaugen
Wenn das Platichen bestückt ist legt man es unten zwischen die LPC Fußreihen und lötet
es am Rand mit den Stiften der Fassung mitfest.

Wenn ich das mal hier hab, dann mach ich Foto.
Dateianhang:
quarz_fix.png
quarz_fix.png [ 2.82 KiB | 965-mal betrachtet ]

_________________
LG
Andreas


Nach oben
 Profil  
 
BeitragVerfasst: 17. April 2013 14:11 
Offline
Junior Boarder
Junior Boarder

Registriert: 14. Januar 2013 13:48
Beiträge: 23
Wohnort: Jüterbog
Hallo oldcoolman,
wäre es möglich, diese Platine als brd zu bekommen oder ins GIT zu laden, so könnte ich schnell eine Platine daraus machen und mir die Arbeit in Eagle sparen. :)
Gruß Bernd


Nach oben
 Profil  
 
BeitragVerfasst: 17. April 2013 17:17 
Offline
Junior Boarder
Junior Boarder

Registriert: 14. Januar 2013 13:48
Beiträge: 23
Wohnort: Jüterbog
Danke, hatte ich leider irgendwie übersehen :oops:


Nach oben
 Profil  
 
BeitragVerfasst: 17. April 2013 19:06 
Offline
Expert Boarder
Expert Boarder

Registriert: 18. September 2009 21:58
Beiträge: 146
Kein Thema, ist dort ja auch nicht leicht zu finden.


Nach oben
 Profil  
 
BeitragVerfasst: 19. April 2013 15:08 
Offline
Expert Boarder
Expert Boarder

Registriert: 15. Oktober 2010 18:13
Beiträge: 145
oldcoolman hat geschrieben:
Hallo René,
es handelt sich um ein winziges Platinchen mit halben Lötaugen am Rand.
Die Dicke ist sehr gering gewählt.
Ich würde an den 3 oder 4 relevanten Lötstellen des LPC-Sockels etwas Lötzinn absaugen
Wenn das Platichen bestückt ist legt man es unten zwischen die LPC Fußreihen und lötet
es am Rand mit den Stiften der Fassung mitfest.

Wenn ich das mal hier hab, dann mach ich Foto.
Dateianhang:
quarz_fix.png

Hi oldcoolman,
danke für die Infos. Der extern bestückte Quarz wird dann entfernt und stattdessen der OSC genutzt?

Gruß
René

_________________
Die Sollbruchstelle des Toilettenpapiers hat ihre Lösungsstruktur geändert.


Nach oben
 Profil  
 
BeitragVerfasst: 19. April 2013 16:32 
Offline
Platinum Boarder
Platinum Boarder

Registriert: 9. Oktober 2007 20:48
Beiträge: 961
Wohnort: Bad Königshofen
Ja sicher, sonst streiten die sich wer das sagen hat.

_________________
LG
Andreas


Nach oben
 Profil  
 
BeitragVerfasst: 20. April 2013 20:28 
Offline
Expert Boarder
Expert Boarder

Registriert: 6. April 2010 21:35
Beiträge: 122
Ja, Reaktionszeit top, Ausführung (fast) sehr schön :-)
"Zero detect" sagt mir z.B. nichts.
Und wir müssen anfangen, Versionsnummern und Datum zu hinterlegen.
Ich würde die aktuelle einfach mal als 2.0 definieren, Datum vom Eincheckdatum.
Und von da an bei jedem Update die Version inkrementieren, Datum hinterlegen und die Änderungen im readme hinzufügen, so daß man eine History erhält.
Idealerweise würde man die Version per ETS abfragbar machen. Dann kann später jeder sagen, "Ich setze Version xy ein und habe folgendes Problem .. blabla."


Nach oben
 Profil  
 
BeitragVerfasst: 20. April 2013 20:41 
Offline
Expert Boarder
Expert Boarder

Registriert: 18. September 2009 21:58
Beiträge: 146
Zero Detect = Nulldurchgang erkennen (und dann schalten)

Dazu braucht man aber die richtige Applikationsplatine. Im Shop, dessen Link hier oft verschwindet, ist sie zu bekommen.

Versionsnummern zu hinterlegen finde ich eine gute Idee. Wobei gerade beim out8 habe ich das schon gemacht, schau mal genau auf das Readme vom Link von vorhin. Die Version ist 3.35 laut den Sourcen.


Nach oben
 Profil  
 
BeitragVerfasst: 21. April 2013 06:59 
Offline
Platinum Boarder
Platinum Boarder

Registriert: 9. Oktober 2007 20:48
Beiträge: 961
Wohnort: Bad Königshofen
guten Morgen,
Die Erklärungen dazu waren auf meiner HP. Diese habe ich zur Sicherheit abgeschaltet.
Werde das aber ins Wiki fließen lassen, sobald ich die neue HW getestet habe.
Ich habe mir gedacht, es ist lesbarer die Compilerschalter als Buchstaben in den Dateinamen zu integrieren als out8_3756382. *mitkopfschüttel* !

_________________
LG
Andreas


Nach oben
 Profil  
 
BeitragVerfasst: 21. April 2013 11:18 
Offline
Junior Boarder
Junior Boarder

Registriert: 8. Juli 2011 09:31
Beiträge: 26
Zitat:
Du kannst den OSC aber auch direkt an den LPC löten pin5, 6 und ein Draht von pin15
auf OSC VCC+enable.


Das hab ich nicht ganz verstanden. Ich hab jetzt die Oszillatoren liegen - Danke vielmals aber weiß grad nicht so recht wie ich das einbaue.

Schön wäre eine Auflistung so a la:

Oszillator Pin LPC Pin

1 X
2 X
3 X
4 X

Danke und Grüße

Max


Nach oben
 Profil  
 
BeitragVerfasst: 21. April 2013 12:25 
Offline
Platinum Boarder
Platinum Boarder

Registriert: 9. Oktober 2007 20:48
Beiträge: 961
Wohnort: Bad Königshofen
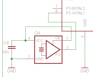
Dateianhang:
sp_osc.PNG
sp_osc.PNG [ 5.02 KiB | 676-mal betrachtet ]


1 ist auf der Oberseite kaum sichtbar mit einen Punkt markiert.
Auf der Unterseite ist das Pad 1 innen abgeschrägt.

Ich möchte noch darauf hinweisen, dass wir doch etwas vom Eröffnungsthema abgekommen sind :-D

_________________
LG
Andreas


Nach oben
 Profil  
 
Beiträge der letzten Zeit anzeigen:  Sortiere nach  
Ein neues Thema erstellen Auf das Thema antworten  [ 24 Beiträge ]  Gehe zu Seite 1, 2  Nächste

Alle Zeiten sind UTC + 2 Stunden


Wer ist online?

Mitglieder in diesem Forum: 0 Mitglieder und 1 Gast


Du darfst keine neuen Themen in diesem Forum erstellen.
Du darfst keine Antworten zu Themen in diesem Forum erstellen.
Du darfst deine Beiträge in diesem Forum nicht ändern.
Du darfst deine Beiträge in diesem Forum nicht löschen.
Du darfst keine Dateianhänge in diesem Forum erstellen.

Suche nach:
Gehe zu:  
Powered by phpBB® Forum Software © phpBB Group
Deutsche Übersetzung durch phpBB.de