freebus.org

Open Bus System
Aktuelle Zeit: 15. Juni 2015 11:40

Alle Zeiten sind UTC + 2 Stunden




Ein neues Thema erstellen Auf das Thema antworten  [ 15 Beiträge ] 
Autor Nachricht
 Betreff des Beitrags: IR Receiver - Sensor /Aktor ... Idee
BeitragVerfasst: 30. April 2013 11:15 
Offline
Senior Boarder
Senior Boarder

Registriert: 25. März 2011 08:31
Beiträge: 54
Hallo!

Mein "IR" Projekt hat zwar nicht unmittelbar was mit freebus zu tun, aber da ich auch einige Freebus Elemente im Einsatz habe ist mir folgende Idee gekommen.

Mein Projekt "IRDA" ist ein IR Empfänger bei dem alle möglichen RC5-codierten Fernbedienungen mittels "Teach-In" eingelernt werden können.
Ich hab das Board so ausgelegt, dass es mit einem Relais oder mit einer Mosfet-Schaltung zum Dimmen eines LED-Strips verwendet werden kann.
Weiters habe ich auch den UART auf eine Stiftleiste herausgeführt.

Mit diesem UART könnte man nun eine FeeBus-Huckepackplatine entwerfen mit der, der IR-Empfänger als "IR-Tasterschnittstelle" oder als "LED-Dimmer" verwendet werden könnte.

Leider ist mein KnowHow in Sachen Freebus-Entwicklung noch sehr sehr bescheiden.
Und von daher würde es mich interessieren ob ihr eine solche Entwicklung für sinnvoll haltet, bzw. ob das dann auch mit der Einbindung in ETS mit einer eigenen .vd Datei funktionieren könnte.

Genauere Infos zu meinem Projekt findet ihr hier -> http://www.rohrhofer.org/r-tec/index.php

Schöne Grüße
Hannes


(Detailierte Infos auf meiner Seite http://www.rohrhofer.org/r-tec/index.php)


Dateianhänge:
Dateikommentar: Foto IRDA-MosfetVersion
DSC_0719.jpg
DSC_0719.jpg [ 380.09 KiB | 1834-mal betrachtet ]
Nach oben
 Profil  
 
BeitragVerfasst: 3. Mai 2013 08:13 
Offline
Junior Boarder
Junior Boarder

Registriert: 20. Juli 2009 20:10
Beiträge: 39
Hallo Hannes,

ich finde das eine sehr interessante Idee!! Die Anbindung in der ETS sollte sich ja als "in" machen lassen.

Gruß
Martin


Nach oben
 Profil  
 
BeitragVerfasst: 3. Mai 2013 08:54 
Offline
Platinum Boarder
Platinum Boarder

Registriert: 9. Oktober 2007 20:48
Beiträge: 961
Wohnort: Bad Königshofen
Hallo Hannes
Brauchst der verwendete IR empfänger 3,3 oder 5V ?

_________________
LG
Andreas


Nach oben
 Profil  
 
BeitragVerfasst: 3. Mai 2013 10:11 
Offline
Senior Boarder
Senior Boarder

Registriert: 25. März 2011 08:31
Beiträge: 54
Hallo!

Bzgl. Dimmen:
Ich fürs erste dachte ich hier an eine abgeänderte Version des Dimmer Controller-Boards, das per UART z.B einen Wert zw. 0-255 fürs Dimmen an das Board sendet.

Bzgl. "IR Tasterschittstelle"
Da dachte ich an die aktuelle Tasterschnittstelle, da könnte ich eine Firmware machen die für jede Funktion einen nicht belegten Pin High/Low schaltet. (Ich glaub 8 freie Pins müssten sich ausgehen)

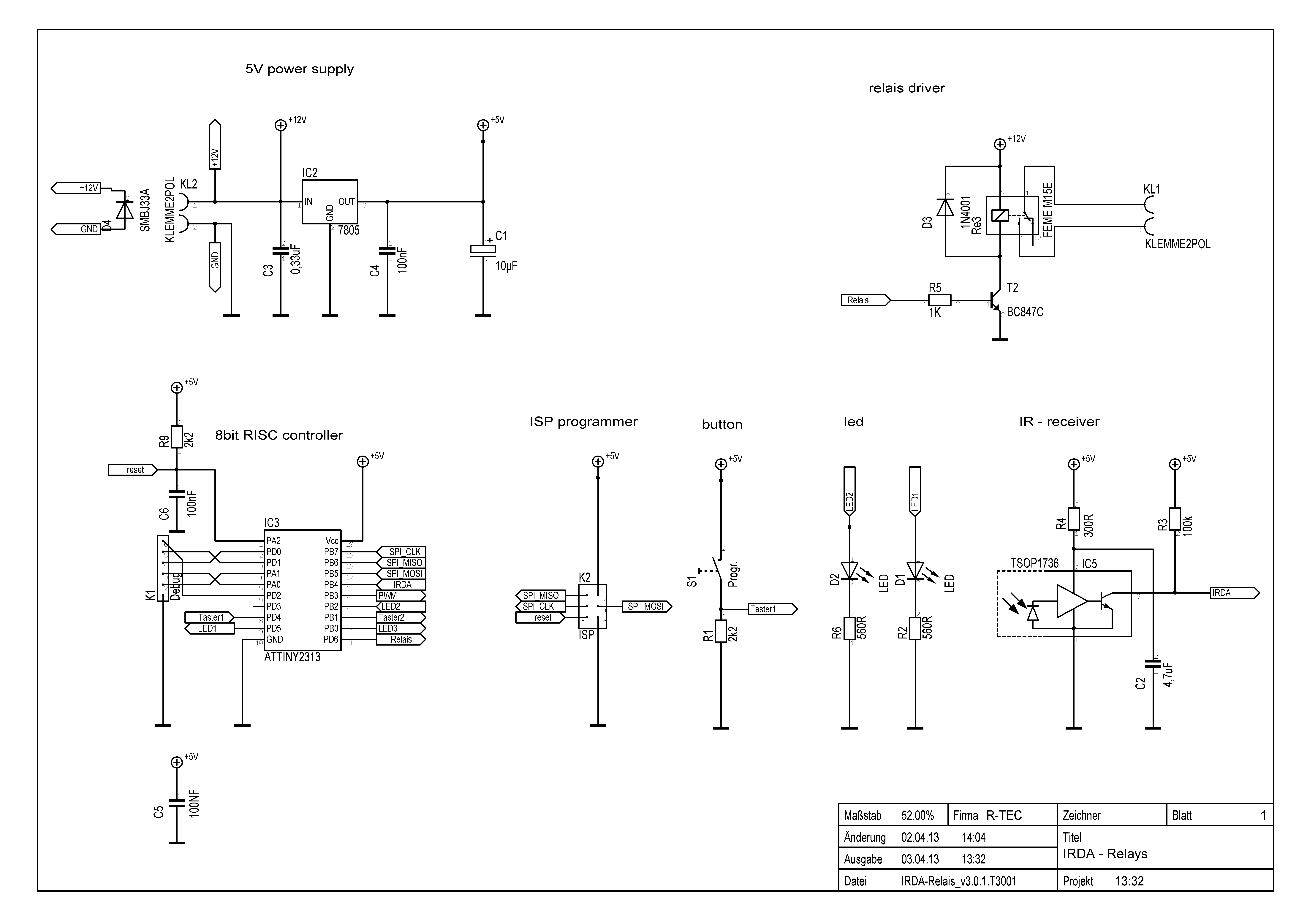
Die IR-Empfängerschaltung habe ich aus der Doku von Bascom (ein Basic Compiler) sie benötigt 5V.
Die Schaltung vom Board ist hier zu finden: http://www.rohrhofer.org/r-tec/images/I ... _Page1.png
Die Schaltung funktioniert meines erachtens wirklich gut, und empfängt auch wenn die Fernbedienung nicht direkt drauf gehalten wird.

Schöne Grüße
Hannes


Nach oben
 Profil  
 
BeitragVerfasst: 3. Mai 2013 10:58 
Offline
Platinum Boarder
Platinum Boarder

Registriert: 9. Oktober 2007 20:48
Beiträge: 961
Wohnort: Bad Königshofen
Sollte ja durch diesen zu ersetzen sein:

http://www.reichelt.de/Fotodioden-etc-/ ... TSOP+31236

Wie gut das IR Licht durch die Kalotte einer Kontrollwippe scheint bleibt ab zu warten.

_________________
LG
Andreas


Nach oben
 Profil  
 
BeitragVerfasst: 6. Mai 2013 17:02 
Offline
Fresh Boarder
Fresh Boarder

Registriert: 6. Februar 2013 18:14
Beiträge: 3
Die Idee finde ich cool. Wäre doch praktisch, wenn man vom Sofa aus nicht nur den TV einschalten, sondern gleich die komplete Szene aktivieren kann.
Aber wäre es nicht einfacher einen Controller (z.b. Tasterschnittstelle, 8in) zu verwenden und den IR-Empf. direkt an den LPC zu hängen ?
Dann bräuchte es nur einen R und C zusätzlich zum TSOP. Der Nachteil wäre halt, dass die Umsetzung in der Controller-Firmware passieren muss.
D.h. hier wäre sicherlich größerer Aufwand.
Allerdings könnte man dann entweder z.b. einfach einen Tasterdruck simulieren oder einfach den RC-5 Code in ein Bustelegramm einpacken und ....
Würde sich dann sogar noch um eine Sender-IR-LED ergänzen lassen um z.b. den TV ein/auszuschalten.
Wenn man auf einen Verstärker für den Transmitter verzichten kann wäre der Schaltungsaufwand minimal.
Vergleichbare Geräte wären z.B. Gira IR-Umsetzer 058828 oder Merten :Taster 4fach plus mit IR-Empfänger (617544)

lg
Gerald


Nach oben
 Profil  
 
BeitragVerfasst: 6. Mai 2013 17:47 
Offline
Platinum Boarder
Platinum Boarder

Registriert: 9. Oktober 2007 20:48
Beiträge: 961
Wohnort: Bad Königshofen
Jo, find ich auch.
Nur nehm ich dazu mein smartphone her und schau auf visu. Trotzdem will das nicht jeder.
Der teach in sollte aber nicht nur RC5 können, weil viele Fernbedienungen anderst reden.
Da wirds dann schon aufwändig, wie du schon sagtest.
IR-KNX umsetzer ist wieder ne andere Baustelle. mal sehen.
Im Taster ist zumindest noch Platz.

_________________
LG
Andreas


Nach oben
 Profil  
 
BeitragVerfasst: 13. Mai 2013 14:07 
Offline
Senior Boarder
Senior Boarder

Registriert: 25. März 2011 08:31
Beiträge: 54
Hallo!

Ja die Visu auf dem Smartphone, hat/will nicht jeder. Ich hab sie zwar auch, aber ich sehe in der IR Geschichte durchaus Vorteile,
zumal ich auch eine Logitec Harmony verwende und so mit diesem Gerät auch diverses Haustechnisches steuern könnte.

TeachIn für alle IR-Codes wird sehr schwierig denk ich mal. RC5 ist (für mich) am einfachsten.
Und eine günstige OneForAll ist im normalfall schnell mit irgendeinem Philipsgerät programmiert.

LG


Nach oben
 Profil  
 
BeitragVerfasst: 15. Mai 2013 17:02 
Offline
Administrator
Administrator

Registriert: 15. September 2007 15:31
Beiträge: 702
Wohnort: Fürstenfeldbruck
Hallo HannesR,

es hat hier schonmal jemand damit angefangen, schau mal hier:
http://git.freebus.org/freebus_avr.git/ ... R-receiver

Je nachdem wie du den RC5-Decoder aufgebaut hast, sollte sich das relativ einfach mit dem AVR umsetzen lassen.
Die Applikation sollte möglichst auf Interrupts verzichten.

Wenn du Fragen hast, nur zu, kann dir bei allem was AVR angeht weiterhelfen.

_________________
Gruß
Matthias


Nach oben
 Profil  
 
BeitragVerfasst: 20. Mai 2013 11:48 
Offline
Junior Boarder
Junior Boarder

Registriert: 6. Januar 2009 16:01
Beiträge: 38
Hallo HannesR,
ich vor einiger Zeit schon mal das hier gefunden
http://www.mikrocontroller.net/articles/IRMP

Es soll mit fast allen IR-Codes umgehen können.
Gibt zwei Module encoden und decoden, somit könnte man auch IR-Befehle bei entsprechender Hardware senden.


Gruß Chris


Nach oben
 Profil  
 
BeitragVerfasst: 20. Mai 2013 12:56 
Offline
Fresh Boarder
Fresh Boarder

Registriert: 20. September 2012 11:34
Beiträge: 9
Jetzt muss ganze ja quasi nur noch mit knx gekoppelt werden,
dann könnte man alles mit einer Fernbedienung steuern, wenn man gleich senden und empfangen einbaut:

Fernseher, DVD, Dunstabzugshaube
Und natürlich Licht, Szenen usw.

Das ist genau das was ich gesucht habe!
Dummerweise habe ich momentan keine Zeit mich darein zu arbeiten :-(, ich hoffe das macht dann jemand anderer!


Nach oben
 Profil  
 
BeitragVerfasst: 21. Mai 2013 23:12 
Offline
Expert Boarder
Expert Boarder

Registriert: 16. Juni 2008 20:11
Beiträge: 90
Hallo Hannes,
dank der Hilfe von Matthias und Dirk hab ich nun den AVR-Dimmer so weit an die neue lib angepasst, dass er schon mal grundsätzlich funktioniert.
Extra für deine Platine habe ich ihm auch eine Option spendiert womit er die Helligkeitswerte über die UART ausgibt.
Im GIT ist eine Readme dabei, da stehen die Parameter drin.
Die Software kann aber auch zwei PWM Signale direkt erzeugen wenn man z.B. irgendwo nur einen LED-Dimmer ohne IR braucht kannst du den Mosfet direkt ansteuern.

Gruß
Uwe


Nach oben
 Profil  
 
BeitragVerfasst: 28. Mai 2013 14:15 
Offline
Senior Boarder
Senior Boarder

Registriert: 25. März 2011 08:31
Beiträge: 54
Hey Hallo!

Das ist ja super!Ich werde es auf jeden Fall testen! Leider hab ich in den nächsten paar Wochen nur beschränkt Zeit.
Ich melde mich aber auf jeden Fall wieder!

LG


Nach oben
 Profil  
 
BeitragVerfasst: 29. Mai 2013 17:10 
Offline
Senior Boarder
Senior Boarder

Registriert: 25. März 2011 08:31
Beiträge: 54
uwe223 hat geschrieben:
Hallo Hannes,
dank der Hilfe von Matthias und Dirk hab ich nun den AVR-Dimmer so weit an die neue lib angepasst, dass er schon mal grundsätzlich funktioniert.
Extra für deine Platine habe ich ihm auch eine Option spendiert womit er die Helligkeitswerte über die UART ausgibt.
Im GIT ist eine Readme dabei, da stehen die Parameter drin.
Die Software kann aber auch zwei PWM Signale direkt erzeugen wenn man z.B. irgendwo nur einen LED-Dimmer ohne IR braucht kannst du den Mosfet direkt ansteuern.

Gruß
Uwe

Hallo Uwe!
Könnetst du mir ungefähr den pfad geben wo ich dein Projekt bzw. dein readme finde?

Danke!


Nach oben
 Profil  
 
BeitragVerfasst: 29. Mai 2013 21:39 
Offline
Expert Boarder
Expert Boarder

Registriert: 16. Juni 2008 20:11
Beiträge: 90
Hallo Hannes,
klar, die Dateien sind unter freebus_avr.git/app-2-dimmer zu finden.
Allerdings musst du vorher in den Branch "newlibname" wechseln.
Wenn du über das Web-Interface reingehst auf der Seite "projects / freebus_avr.git / summary" ganz unten unter heads auf newlibname klicken dann findest du es.
Da ist jetzt nur der Quellcode, wenn du ein hex File brauchst sag Bescheid.

Gruß
Uwe


Nach oben
 Profil  
 
Beiträge der letzten Zeit anzeigen:  Sortiere nach  
Ein neues Thema erstellen Auf das Thema antworten  [ 15 Beiträge ] 

Alle Zeiten sind UTC + 2 Stunden


Wer ist online?

Mitglieder in diesem Forum: hschreiber und 1 Gast


Du darfst keine neuen Themen in diesem Forum erstellen.
Du darfst keine Antworten zu Themen in diesem Forum erstellen.
Du darfst deine Beiträge in diesem Forum nicht ändern.
Du darfst deine Beiträge in diesem Forum nicht löschen.
Du darfst keine Dateianhänge in diesem Forum erstellen.

Suche nach:
Gehe zu:  
cron
Powered by phpBB® Forum Software © phpBB Group
Deutsche Übersetzung durch phpBB.de