freebus.org

Open Bus System
Aktuelle Zeit: 15. Juni 2015 15:39

Alle Zeiten sind UTC + 2 Stunden




Ein neues Thema erstellen Auf das Thema antworten  [ 86 Beiträge ]  Gehe zu Seite Vorherige  1, 2, 3, 4, 5, 6
Autor Nachricht
 Betreff des Beitrags: Re: Fingerprintsensor
BeitragVerfasst: 30. Mai 2013 23:35 
Offline
Gold Boarder
Gold Boarder

Registriert: 31. August 2011 15:17
Beiträge: 161
Ich wollte den Beitrag nur noch mal auffrischen, da ich immer noch an dem Problem hänge.

LG
Sylvio


Nach oben
 Profil  
 
 Betreff des Beitrags: Re: Fingerprintsensor
BeitragVerfasst: 31. Mai 2013 08:39 
Offline
Platinum Boarder
Platinum Boarder

Registriert: 9. Oktober 2007 20:48
Beiträge: 961
Wohnort: Bad Königshofen
Wegen dem Verdrehen der Messspitze und GND(Spitze?) Ist dein Oszi eigentlich potentialfrei? Batteriebetrieben? An einem Trenntrafo? Oder eher über Netzkabel oder PC-Verbindung geerdet.

_________________
LG
Andreas


Nach oben
 Profil  
 
 Betreff des Beitrags: Re: Fingerprintsensor
BeitragVerfasst: 31. Mai 2013 13:13 
Offline
Gold Boarder
Gold Boarder

Registriert: 31. August 2011 15:17
Beiträge: 161
Das Oszi ist Batteriebetrieben. Ich habe zwei Messspitzen. Die eine mit 1:1 und 1:10 und die andere mit 1:10 und 1:100. Genutzt hatte ich die mit der Einstellung 1:1. einen Trenntrafo nutze ich nicht. Beim Messen gibt es also keine Verbindung zum Netz.

Sagen dir die Bilder wo der Fehler stecken könnte. Was und wie genau sollte ich noch messen?

LG
Sylvio


Nach oben
 Profil  
 
 Betreff des Beitrags: Re: Fingerprintsensor
BeitragVerfasst: 31. Mai 2013 21:10 
Offline
Senior Boarder
Senior Boarder

Registriert: 2. Januar 2008 00:34
Beiträge: 60
Wohnort: Oberösterreich
Hallo Sylvio!

Also ganz sicher bin ich noch nicht, ob deine Signale vom Fingerprint(FP) korrekt sind. Aber die Signalformen sehen ok aus.
Kannst du mal die Zeitbasis auf 5ms oder 10ms umstellen, so dass man alle Bits eines Pakets sieht.
Da müssten in Summe 26 Impulse für einen Finger ankommen. Die 0-Bits auf D0 und die 1-Bits auf D1 (jeweils gegen die Masse des FP gemessen).

Bei deinen Bildern sieht man auf beiden Leitungen Impulse.

Kannst du zwei Kanäle gleichzeitig messen? Dann stell mal D0 und D1 gegen GND(FP) dar. So dass man alle 26 bits eines Fingers sieht.

Wenn du nur einen Kanal hast dann zeig nochmal das Signal D0 gegen D1 - ebenfalls alle 26 bit. Das muss so aussehen wie auf Seite 3.

Wo ist bei deinen Bildern die 0V-Linie? Dort wo links CH1 steht oder dort wo rechts der Schieber ist?

Das Signal D0/D1 musste im Ruhepegel 0V haben(weil beide Leitungen auf 5V sind) und die Bits jeweils gegen +5V und gegen -5V ausschlagen.
Siehe Definition Wiegand http://en.wikipedia.org/wiki/Wiegand_interface

Auf der LPC-Seite (d.h. nach dem Optokoppler) bitte immer gegen GND vom Controller messen.

Ich kann in der Schaltung von Hubert kein VSS finden!

VCC sollte immer 3,3V sein.

Da hier irgend etwas nicht stimmen dürfte, wäre es am besten du machts mal einen Schaltplan deines Aufbaus mit allen angeschlossenen Leitungen - kann auch eine eingescannte Handskizze sein.

So ist es ziemlich schwierig etwas zu finden.

Welchen Controller verwendest du?

Wie hast du deine Platine an den Controller angeschlossen? Bitte da nochmal alle Anschlüsse prüfen.

LG Charly


Nach oben
 Profil  
 
 Betreff des Beitrags: Re: Fingerprintsensor
BeitragVerfasst: 1. Juni 2013 13:45 
Offline
Gold Boarder
Gold Boarder

Registriert: 31. August 2011 15:17
Beiträge: 161
Hallo Charly,

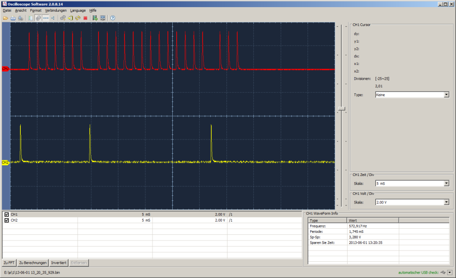
mit der Anleitung und Erklärung kommen wir weiter :) . Danke! Die 0-Volt-Linie ist der Pfeil links CH1 und CH2. Mit VSS hatte ich mich verschrieben. Ich meinte VCC. Die 3,3V stimmen bei mir auch.

Das Bild "Fingerprint" misst von GND der Fingerprint-Schnittstelle zu D0 (rot) und D1 (gelb) ohne die Selbstbauplatine. Die Abtastzeit steht auf 5ms, die Spannung pro Raster auf 5V und die beiden Testspitzen auf 1:1.

Das Bild "Selbstbauplatine" misst von GND des Busses nach I/O0 (rot) und I/O1 (gelb). Die Abtastzeit steht auf 5ms, die Spannung pro Raster auf 2V und die beiden Testspitzen auf 1:1.

Ich weiß nicht was los war. Aber nun funzt alles super! Evtl. habe ich mit meinen falschen Messanaornungen nur Chaos geschaffen. Damit spare ich mir nun das Schaltungsbild. Es geht ja.

Dann ist das nun eher ein Beitrag wie es aussehen soll :lol: .

LG und vielen Dank noch mal.

Sylvio


Dateianhänge:
Selbstbauschnittstelle.png
Selbstbauschnittstelle.png [ 80.39 KiB | 13378-mal betrachtet ]
Fingerprint.png
Fingerprint.png [ 75.25 KiB | 13378-mal betrachtet ]
Nach oben
 Profil  
 
 Betreff des Beitrags: Re: Fingerprintsensor
BeitragVerfasst: 7. September 2014 19:35 
Offline
Fresh Boarder
Fresh Boarder

Registriert: 7. September 2014 08:23
Beiträge: 4
Benutzt irgendwer noch den Scanner??


Nach oben
 Profil  
 
 Betreff des Beitrags: Re: Fingerprintsensor
BeitragVerfasst: 7. September 2014 20:06 
Offline
Gold Boarder
Gold Boarder

Registriert: 31. August 2011 15:17
Beiträge: 161
Ich hab ihn in die Ecke gehauen, weil die Schnittstelle nicht wirklich funktioniert.


Nach oben
 Profil  
 
 Betreff des Beitrags: Re: Fingerprintsensor
BeitragVerfasst: 8. September 2014 21:24 
Offline
Fresh Boarder
Fresh Boarder

Registriert: 7. September 2014 08:23
Beiträge: 4
Okay, es scheint dann doch zu Ekey zu gehen, oder?
Wollte eigentlich etwas Geld sparen, aber wenn es zu unzuverlässig ist bringt mir das auch nix! :(


Nach oben
 Profil  
 
 Betreff des Beitrags: Re: Fingerprintsensor
BeitragVerfasst: 12. September 2014 07:57 
Offline
Senior Boarder
Senior Boarder

Registriert: 2. Januar 2008 00:34
Beiträge: 60
Wohnort: Oberösterreich
Honkie hat geschrieben:
Benutzt irgendwer noch den Scanner??

Hallo!

Ich habe den Fingerprint-Scanner seit über 3 Jahren bei mir an der Haustüre im Einsatz und verwende ihn auch.
Ist der F007-EM

Die Freebus-Anbindung funktioniert 100%ig ohne Probleme.

Ich bin aber mit dem Fingerprint-Scanner selber nicht 100% zufrieden:
- Reagiert nicht jedesmal, wenn man den Finger drauflegt - vor allem wenn die Sonne von hinten rein scheint
- Finger werden nur erkannt, wenn sie genau aufgelegt werden
- Meine Kinder mit kleinen Fingern müssen auch öfter mal probieren bis er sie erkennt - keine Ahnung warum. Kleine Finger? Oder solle ich mal wieder neu anlernen?

Ich würd ihn mir nicht mehr zulegen - Ist aber trotzdem eine günstige Alternative, wenn man mit den Schwächen leben kann.

LG Charly


Nach oben
 Profil  
 
 Betreff des Beitrags: Re: Fingerprintsensor
BeitragVerfasst: 12. September 2014 13:52 
Offline
Fresh Boarder
Fresh Boarder

Registriert: 8. Oktober 2010 00:24
Beiträge: 17
Hallo zusammen,

seit etwa zwei Jahren habe ich drei Geräte verbaut.
Zwei W2 von Sebury (wie bereits auf Seite 4 von mir vorgestellt) für's Garagentor und Haustür.
Ein F007-EM für die Verbindungstür von Garage zum Haus.

Die beiden W2 funktionieren ohne Probleme. Wichtig für mich war, dass sie wasserdicht sind.
(Die W2's funktionieren nur über RFID's Fingererkennung ist hier nicht möglich)

Der F007-EM funktioniert über RFID zuverlässig.
Die Fingerprinterkennung ist allerdings, wie schon öfters im Forum erwähnt, Müll.
Hier muss ich schon ab und an 10 Versuche starten bis die Tür aufgeht.
(Mit Spucke auf dem Finger funktioniert's etwas besser :wink: )
Mache ich nur, wenn ich keinen RFID bzw. Türschlüssel in der Tasche habe.


Gruss
Hubert

PS: Der zeitliche Aufwand war allerdings recht hoch bis alles so war wie ich's wollte.


Nach oben
 Profil  
 
 Betreff des Beitrags: Re: Fingerprintsensor
BeitragVerfasst: 21. September 2014 09:16 
Offline
Fresh Boarder
Fresh Boarder

Registriert: 7. September 2014 08:23
Beiträge: 4
Vielen Dank für Eure Antworten,
denke dass ich mich dann wirklich in der Ekey Ecke umschauen werde!


Nach oben
 Profil  
 
Beiträge der letzten Zeit anzeigen:  Sortiere nach  
Ein neues Thema erstellen Auf das Thema antworten  [ 86 Beiträge ]  Gehe zu Seite Vorherige  1, 2, 3, 4, 5, 6

Alle Zeiten sind UTC + 2 Stunden


Wer ist online?

Mitglieder in diesem Forum: 0 Mitglieder und 2 Gäste


Du darfst keine neuen Themen in diesem Forum erstellen.
Du darfst keine Antworten zu Themen in diesem Forum erstellen.
Du darfst deine Beiträge in diesem Forum nicht ändern.
Du darfst deine Beiträge in diesem Forum nicht löschen.
Du darfst keine Dateianhänge in diesem Forum erstellen.

Suche nach:
Gehe zu:  
cron
Powered by phpBB® Forum Software © phpBB Group
Deutsche Übersetzung durch phpBB.de